PPH D71X-10S Handle Butterfly Valve DN15-200 GB Standard

PPH handwheel butterfly valve manual center seal soft seal DN15-200 industrial and household plastic lever handle valve
Driving Mode: Manual
Connection Form: Wafer
Structure: Center Sealing
Seal Type: Forced Sealed
Valve Stem: Ordinary
Pressure Class: 1.0Mpa(10bar)
Working Temperature: -20~110°C
Material of Seal Surface: Soft Sealed
Application: Industrial Usage, Water Industrial Usage
Valve Stem: Steel, Stainless Steel
Trademark: KXPV
Specifications: DN15-200
Origin: Ningbo, Zhejiang

Product Structural Features
1. The valve is small and light, easy to disassemble and repair, and can be installed at any position.
2. The structure is simple & compact, and the operating torque is small, and the 90° rotation is opened quickly.
3. The flow characteristics tend to be straight and the adjustment performance is good.
App Temperature Bound List

 

Material        Medium temperature℃ Material Medium temperature℃
PVC-C -20℃~+95℃ PVC-U -5℃~+45℃
FRPP -20℃~+120℃ PPH -20℃~+110℃
PVDF 40℃~+150℃

Part Material Table

 

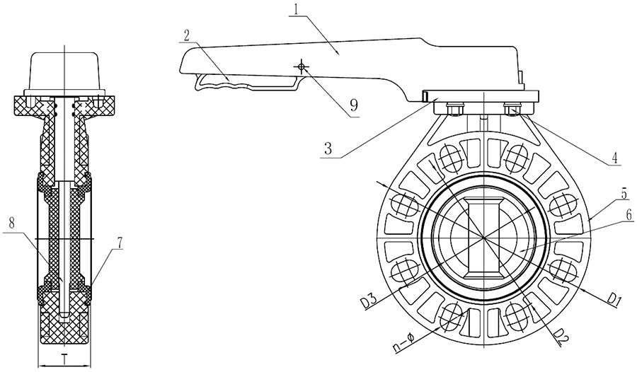
No.

Name

Material

1

Handle head

Alloy material

2

Hexagonal nut

Steel,StainlessSteel

3

Handle

Alloy material 

4

Stem

Steel,StainlessSteel

5

Spring

Steel

6

Adjust the positioning plate

Alloy material

7

Pin

Steel

8

Locating rod

Alloy material

9

Body

FRPP,PVDF,PVC-C,PVC-U,PPH

10

Sealing rubber

EPDM,FPM

11

Disc

FRPP,PVDF,PVC-C,PVC-U,PPH

Handle Butterfly Valve Assembly Detail Drawing

 

Part Material Table

 

NO.

Parts Name

Material

Qty.

1

Handle

Alloy material

1

2

Locating rod

Alloy material

1

3

Positioning plate

Alloy material

1

4

Nut Cup

FRPP

 4

5

Body

FRPP,PVDF,PVC-C,PVC-U,PPH

1

6

Disc

FRPP,PVDF,PVC-C,PVC-U,PPH

1

7

Sealing rubber

EPDM, FPM

1

8

Stem

Steel,StainlessSteel

1

9

Pin

Alloy material

1

Dimension List

 

DN(mm) D1 D2 D3 T n-Φ
GB JIS ANSI GB JIS ANSI
40  148  110  105  98.4  45  39  4-Φ19X25 4-Φ19X25 4-Φ19X25
50  162  125  120  120.7  50  40  4-Φ19X26.5 4-Φ19X26.5 4-Φ19X26.5
65  180  145  140  139.7  64  42  4-Φ19X26.5 4-Φ19X26.5 4-Φ19X26.5
80  198  160  150  152.4  77  42  8-Φ19X25 8-Φ19X24 4-Φ19X20
100  225  180  175  190.5  96  52  8-Φ18X32 8-Φ19X32 8-Φ19X32
125  255  210  210  215.9  120  61  8-Φ23X33 8-Φ23X33 8-Φ23X33
150  285  240  240  241.3  145  71  8-Φ23X34 8-Φ23X34 8-Φ23X34
200  340  295  290  298.5  196.5  81  8-Φ23X33.5 12-Φ23×27 8-Φ23x33.5

Viesti Palaute
Tietoja meistä
Kaixin Pipeline Technologies Co., Ltd.
Vuonna 1999 perustettu Kaixin Pipeline Technologies Co., Ltd. on korkean teknologian yritys, joka yhdistää T&K:n, valmistuksen, myynnin ja palvelun. Yrityksellä on useita arvostettuja sertifiointeja, mukaan lukien National High-Tech Enterprise, "Little Giant" Specialized and Sophisticated SME, National Single Product Champion (viljely), Provincial Technology-based SME, Ningbo Specialized and Sophisticated SME, Ningbo Single Product Champion (viljely), Ningbo District, Green-Lepe & Valctory Technology, Fair & Valctory Ningbo neljän tähden Management Innovation Enterprise ja Enterprise Data Management Capability kypsyysaste 2.
Olemme erikoistuneet kehittämään, valmistamaan ja toimittamaan ei-metallisia korroosionkestäviä tuotteita kemiallisiin sovelluksiin, mukaan lukien muoviventtiilit, putket, putkiliittimet ja korroosionkestävät pumput. Tuotevalikoimamme kattaa PVC-C:n, PVC-U:n, PVDF:n, PPH:n ja FRPP:n kaltaiset materiaalit kattavalla valikoimalla tyyppejä ja eritelmiä. Erityisesti läppäventtiiliemme voivat saavuttaa halkaisijaltaan DN1000, kun taas putket ja liittimet ulottuvat DN800:aan, mikä korjaa markkinoiden aukkoja ja säilyttää kilpailuetumme alalla.
"Teknologiavetoinen, ajan tahdissa pysyminen" -periaatteen ohjaamana Kaixin osoittaa vuosittain lähes 10 miljoonaa RMB T&K-toimintaan. Varmistamme tuotteiden erinomaisen laadun standardoidun automatisoidun valmistuksen ja tiukan tuontiraaka-aineiden hankinnan avulla. Kansainvälisen kehitysstrategiamme mukaisesti seuraamme jatkuvasti globaalien markkinoiden kehitystä ja hyödynnämme digitaalisia kanavia tuodaksemme korkealaatuisia "Made in China" -tuotteita asiakkaille ympäri maailmaa.
Ningbo • Fenghuan T&K- ja tuotantotukikohta
Kaixin Ultra-Pure Pipe Technology (Ningbo) Co., Ltd. on investoinut yhteensä 200 miljoonaa RMB:tä, ja se on perustanut uuden materiaalilaboratorion yhteistyössä yliopistojen ja tutkimuslaitosten kanssa, rakentanut nykyaikaisen tuotantokannan ja asentanut 8 täysin automatisoitua tuotantolinjaa modifioiduille muoveille ja 8 polymeerimateriaaleille. Laitos on omistettu uusien modifioitujen muovien ja polymeerimateriaalien tutkimukselle ja kehitykselle, tuotantoon ja käyttöön. Kaixin on myös sitoutunut houkuttelemaan huippuosaajia eri tieteenaloilla, edistämään jatkuvasti tuoteinnovaatioita ja tuotemerkkien kehitystä tavoitteenaan tulla maailmanlaajuisesti tunnustettu johtaja polymeeriventtiilien, putkien ja liitosten T&K- ja valmistuksessa.
Kunniakirja
Uutiset