Sovelluksen lämpötilarajoitusten luettelo

Materiaali Keskilämpötila℃ Materiaali Keskilämpötila℃
PVC-C -20 ℃ ~ 95 ℃ PVC-U -5 ℃ ~ 45 ℃
FRPP -20 ℃ ~ 120 ℃ PPH -20 ℃ ~ 110 ℃
PVDF 40 ℃ ~ 150 ℃

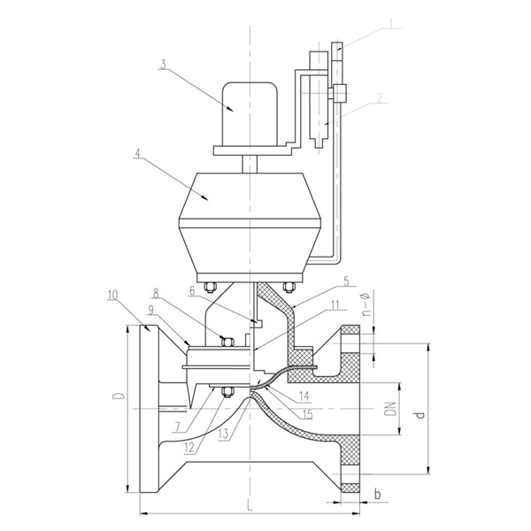
Tuotteen rakenteelliset ominaisuudet

1. Tiivistekalvo on valmistettu F46:sta tai PFA:sta, jonka taittumiskestävyys on ≥ 120 000 kertaa ja korroosionkestävyys on verrattavissa F4:ään.
2. Ruuvityyppinen nostomekanismi tarjoaa alhaisen avaus- ja sulkemismomentin ja erinomaisen vakauden.
3. Toimilaitetta voidaan kauko-ohjata tietokoneen tai ohjauskeskuksen kautta ohjaten väliaineen virtausta ja virtausta avaamalla ja sulkemalla venttiili. Tämä lisää käyttömukavuutta ja nopeutta, alentaa työvoimakustannuksia ja varmistaa paikan päällä olevien työntekijöiden turvallisuuden.

Osa Materiaalitaulukko

Ei Nimi Materiaali Määrä
1 Solenoidiventtiili 1
2 Painemittari 1
3 Signaalin palautelaite 1
4 Pneumaattinen toimilaite Alumiiniseos 1
5 Konepelti PPH, PVC-C, PVC-U, PVDF, FRPP 1
6 Yoke Nut SS terästä, Steel 1
7 Platen Q345, SS-teräs 2
8 Ruuvi Teräs, ruostumaton teräs 4
9 Platen Q345, SS-teräs 2
10 Runko PPH, PVC-C, PVC-U, PVDF, FRPP 1
11 Varsi Teräs, ruostumaton teräs 1
12 Nut Cap Teräs, ruostumaton teräs 4
13 Venttiililevy PPH, PVC-C, PVC-U
FRPP, PVDF/valurauta
1
14 Flim EPDM, FPM 1
15 Kalvo F46.PFA.PTFE 1
Mittasuhteiden luettelo

D d L b n-Φ
15 95 65 125 14 4-Φ14
20 105 75 135 18 4-Φ14
25 115 85 145 18 4-Φ14
32 135 100 160 18 4-Φ18
40 145 110 180 20 4-Φ18
50 160 125 210 22 4-Φ18
65 180 145 250 24 4-Φ18
80 195 160 300 24 8-Φ18
100 225 180 350 28 8-Φ18
125 245 210 400 30 8-Φ18
150 280 240 455 30 8-Φ23x27
200 335 295 570 40 8-Φ22
250 390 350 680 38 12-Φ23
300 445 400 680 38 12- Φ 23
Viesti Palaute
Tietoja meistä
Kaixin Pipeline Technologies Co., Ltd.
Vuonna 1999 perustettu Kaixin Pipeline Technologies Co., Ltd. on korkean teknologian yritys, joka yhdistää T&K:n, valmistuksen, myynnin ja palvelun. Yrityksellä on useita arvostettuja sertifiointeja, mukaan lukien National High-Tech Enterprise, "Little Giant" Specialized and Sophisticated SME, National Single Product Champion (viljely), Provincial Technology-based SME, Ningbo Specialized and Sophisticated SME, Ningbo Single Product Champion (viljely), Ningbo District, Green-Lepe & Valctory Technology, Fair & Valctory Ningbo neljän tähden Management Innovation Enterprise ja Enterprise Data Management Capability kypsyysaste 2.
Olemme erikoistuneet kehittämään, valmistamaan ja toimittamaan ei-metallisia korroosionkestäviä tuotteita kemiallisiin sovelluksiin, mukaan lukien muoviventtiilit, putket, putkiliittimet ja korroosionkestävät pumput. Tuotevalikoimamme kattaa PVC-C:n, PVC-U:n, PVDF:n, PPH:n ja FRPP:n kaltaiset materiaalit kattavalla valikoimalla tyyppejä ja eritelmiä. Erityisesti läppäventtiiliemme voivat saavuttaa halkaisijaltaan DN1000, kun taas putket ja liittimet ulottuvat DN800:aan, mikä korjaa markkinoiden aukkoja ja säilyttää kilpailuetumme alalla.
"Teknologiavetoinen, ajan tahdissa pysyminen" -periaatteen ohjaamana Kaixin osoittaa vuosittain lähes 10 miljoonaa RMB T&K-toimintaan. Varmistamme tuotteiden erinomaisen laadun standardoidun automatisoidun valmistuksen ja tiukan tuontiraaka-aineiden hankinnan avulla. Kansainvälisen kehitysstrategiamme mukaisesti seuraamme jatkuvasti globaalien markkinoiden kehitystä ja hyödynnämme digitaalisia kanavia tuodaksemme korkealaatuisia "Made in China" -tuotteita asiakkaille ympäri maailmaa.
Ningbo • Fenghuan T&K- ja tuotantotukikohta
Kaixin Ultra-Pure Pipe Technology (Ningbo) Co., Ltd. on investoinut yhteensä 200 miljoonaa RMB:tä, ja se on perustanut uuden materiaalilaboratorion yhteistyössä yliopistojen ja tutkimuslaitosten kanssa, rakentanut nykyaikaisen tuotantokannan ja asentanut 8 täysin automatisoitua tuotantolinjaa modifioiduille muoveille ja 8 polymeerimateriaaleille. Laitos on omistettu uusien modifioitujen muovien ja polymeerimateriaalien tutkimukselle ja kehitykselle, tuotantoon ja käyttöön. Kaixin on myös sitoutunut houkuttelemaan huippuosaajia eri tieteenaloilla, edistämään jatkuvasti tuoteinnovaatioita ja tuotemerkkien kehitystä tavoitteenaan tulla maailmanlaajuisesti tunnustettu johtaja polymeeriventtiilien, putkien ja liitosten T&K- ja valmistuksessa.
Kunniakirja
Uutiset