PVC-U yleishylsylaippa DN15-600 1/2"-24" ANSI standardi

Äskettäin käytetty tummanharmaa PVC-U universaali pistorasialaippainen putkiliitin, DN15-DN600, kemian tarpeeseen ja saniteettisovelluksiin, ANSI SCH80 standardi
Alkuperä: Kiina
Tuotemerkki: KXPV
Materiaali: Muovi
Prosessi: taottu
Liitäntä: Pistorasia
Muoto: Tasainen
Pään koodi: Neliö
Väri: Tummanharmaa
Koko: DN15-DN600
Sovellus: Teollisuus
Pakkaus: Kartonki
Käyttöpaine: 1 MPa
Toimitusaika: 7 päivää
Minimitilausmäärä: 1 kpl

Sovelluksen lämpötilarajoitusten luettelo
materiaali Keskilämpötila℃ materiaali Keskilämpötila℃
PVC-C -20 ℃ ~ 95 ℃ PVC-U -5 ℃ ~ 45 ℃
FRPP -20 ℃ ~ 120 ℃ PPH -20 ℃ ~ 110 ℃
PVDF 40 ℃ ~ 150 ℃

Tuotteen rakenteelliset ominaisuudet

1.Kevyt: PVC-U-materiaalissa on turha 1/10 arvoraudan painosta, mikä tekee kuljetuksesta ja asennussta nopeaa, mikä vähentää kustannuksia.
2. Erinomainen hyvä kestävyys: PVC-U riittääemäksiä ja happoja, ilman kokonaan hyvättyneitä vahvoja happoja ja emäksiä.
3. Kestävä: PVC-U:lla on erinomainen säänkestävyys, eikä se ole herkkäbakteerien tai sienten korroosiolle.
4. Ei-johtava: PVC-U-materiaali ei johda sähköä, eikä se ole allttiina sähkövirtojen korroosiolle, mikä eliminoi toissijaisen käsittelyn tarpeen. Se on syttymätön eikä tue palamista, joten palovaaraa ei ole.
5. Matala vastus, suuri virtausnopeus: Sileät sisäseinät minimoivat nesteen virtaushäviön, ja lika ei kiinnity helposti tasaiseen putken pintaan, mikä helpottaa huoltoa ja ylläpitokustannuksia.
6. Helppo asennus, edullinen: PVC-U-putkien leikkaaminen ja liittäminen on helppoa. PVC-liimaliitokset on todistettu turvallisiksi, luotettaviksi, helppokäyttöisiksi ja kustannustehokkaiksi.

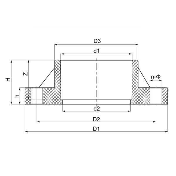
UPVC-laippa

Erittely D1
(mm)
D2
(mm)
D3
(mm)
d1
(mm)
d2
(mm)
H
(mm)
h
(mm)
Z
(mm)
n-Ф
(mm)
1/2" (15) 89 60 31.5 21.34 18 27 16 22.5 4-Ф16
3/4" (20) 95 70 37 26.67 23 30.5 18 25.5 4-Ф16
1" (25) 108 79 45 33.4 29 34.5 18 29 4-Ф16
1¼" (32) 117 89 54.5 42.16 38 37.5 18 32 4-Ф16
1½" (40) 127 98 61 48.26 44 40.5 20 35 4-Ф16
2" (50) 152 121 74 60.32 55 44.5 20 38.5 4-Ф19
2½" (65) 178 140 90 73.02 68 51 20 45 4-Ф19
3" (80) 191 152 107 88.9 83 54.5 21 48 4-Ф19
4" (100) 229 191 134 114.3 109 64 24 57.5 4-Ф19
5" (125) 254 216 163 141.3 134 73.5 25 67 8-Ф22
6" (150) 279 241 192 168.28 160 83.5 25 76.5 8-Ф22
8" (200) 343 299 247 219.08 210 109 29 102 8-Φ22

Viesti Palaute
Tietoja meistä
Kaixin Pipeline Technologies Co., Ltd.
Vuonna 1999 perustettu Kaixin Pipeline Technologies Co., Ltd. on korkean teknologian yritys, joka yhdistää T&K:n, valmistuksen, myynnin ja palvelun. Yrityksellä on useita arvostettuja sertifiointeja, mukaan lukien National High-Tech Enterprise, "Little Giant" Specialized and Sophisticated SME, National Single Product Champion (viljely), Provincial Technology-based SME, Ningbo Specialized and Sophisticated SME, Ningbo Single Product Champion (viljely), Ningbo District, Green-Lepe & Valctory Technology, Fair & Valctory Ningbo neljän tähden Management Innovation Enterprise ja Enterprise Data Management Capability kypsyysaste 2.
Olemme erikoistuneet kehittämään, valmistamaan ja toimittamaan ei-metallisia korroosionkestäviä tuotteita kemiallisiin sovelluksiin, mukaan lukien muoviventtiilit, putket, putkiliittimet ja korroosionkestävät pumput. Tuotevalikoimamme kattaa PVC-C:n, PVC-U:n, PVDF:n, PPH:n ja FRPP:n kaltaiset materiaalit kattavalla valikoimalla tyyppejä ja eritelmiä. Erityisesti läppäventtiiliemme voivat saavuttaa halkaisijaltaan DN1000, kun taas putket ja liittimet ulottuvat DN800:aan, mikä korjaa markkinoiden aukkoja ja säilyttää kilpailuetumme alalla.
"Teknologiavetoinen, ajan tahdissa pysyminen" -periaatteen ohjaamana Kaixin osoittaa vuosittain lähes 10 miljoonaa RMB T&K-toimintaan. Varmistamme tuotteiden erinomaisen laadun standardoidun automatisoidun valmistuksen ja tiukan tuontiraaka-aineiden hankinnan avulla. Kansainvälisen kehitysstrategiamme mukaisesti seuraamme jatkuvasti globaalien markkinoiden kehitystä ja hyödynnämme digitaalisia kanavia tuodaksemme korkealaatuisia "Made in China" -tuotteita asiakkaille ympäri maailmaa.
Ningbo • Fenghuan T&K- ja tuotantotukikohta
Kaixin Ultra-Pure Pipe Technology (Ningbo) Co., Ltd. on investoinut yhteensä 200 miljoonaa RMB:tä, ja se on perustanut uuden materiaalilaboratorion yhteistyössä yliopistojen ja tutkimuslaitosten kanssa, rakentanut nykyaikaisen tuotantokannan ja asentanut 8 täysin automatisoitua tuotantolinjaa modifioiduille muoveille ja 8 polymeerimateriaaleille. Laitos on omistettu uusien modifioitujen muovien ja polymeerimateriaalien tutkimukselle ja kehitykselle, tuotantoon ja käyttöön. Kaixin on myös sitoutunut houkuttelemaan huippuosaajia eri tieteenaloilla, edistämään jatkuvasti tuoteinnovaatioita ja tuotemerkkien kehitystä tavoitteenaan tulla maailmanlaajuisesti tunnustettu johtaja polymeeriventtiilien, putkien ja liitosten T&K- ja valmistuksessa.
Kunniakirja
  • honor
  • honor
  • honor
  • honor
  • honor
  • honor
  • honor
  • honor
  • honor
Uutiset