PVC-C-vähennys DN15*20-600*500 1/2*3/4"-24*20" ANSI-standardi

PVC-C PVC-putkiliittimet DN1520-600500 Teollisuuden muoviset supistustarvikkeet, kemian- ja vesihuoltoon ANSI SCH80 Standard
Alkuperä: Kiina
Tuotemerkki: KXPV
Prosessi: taottu
Liitäntä: Pistorasia
Materiaali: PVC-C
Väri: Vaaleanharmaa
Muoto: Tasainen
Pään koodi: Pyöreä
Koko: DN15*20-600*500
Sovellus: Teollisuus
Pakkaus: Kartonki
Käyttöpaine: 1,6 MPa
Toimitusaika: 7 päivää
Minimitilausmäärä: 1 kpl

Sovelluksen lämpötilarajoitusten luettelo
materiaali Keskilämpötila℃ materiaali Keskilämpötila℃
PVC-C -20 ℃ ~ 95 ℃ PVC-U -5 ℃ ~ 45 ℃
FRPP -20 ℃ ~ 120 ℃ PPH -20 ℃ ~ 110 ℃
PVDF 40 ℃ ~ 150 ℃

Tuotteen rakenteelliset ominaisuudet

1. Erinomainen kemiallinen kestävyys: Lämpötila-alue laajalla -20 ℃ - 95 ℃. Väliaineen ionipitoisuus erittäin puhtaan veden standardit. Hygienia kuuluu kansalliset sanitaatiostandardit.
2. Erinomainen lujuus, sitkeys ja kemiallinen korroosionkestävyys: Materiaalin tarjoan lujuuden ja kestävyyden kemiallista korroosiota vastaan.
3.Kestä: Poikkeuksellinen ikääntymisenkestä ja UV-kestä pidennettyjen käyttöikää kaikkien putkistojärjestelmien perusteella.
4. Alhainen lämpöjohtavuus: Lämmönjohtavuus on noin 1/200 teräksestä; paloa hidastavat ominaisuudet ovat sammuvia.
5.Kevyt: Painaa vain noin 1/5 teräsputkista ja 1/6 kupariputkista.
6. Pieni vastus, suuri virtausnopeus: Sileä ja puhdas putken seinämä johtaa minimaaliseen kitkankestävyyteen ja adheesioon nesteitä kuljetettaessa.
7.Helppo asennus, pienet kustannukset: Voidaan liittää liimaamalla, kierteillä ja ylimmillaan liimalla, mikä tarjoaa kustannustehokkaan ja käyttäjäystävällisen ratkaisun.

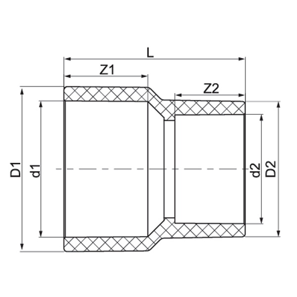
Mittasuhteiden luettelo

Erittely D1
(mm)
D2
(mm)
d1
(mm)
d2
(mm)
L
(mm)
Z1
(mm)
Z2
(mm)
2″*1″ (50*25) 74 45 60.32 33.4 87 38.5 29
2″*1¼″ (50*32) 74 54.5 60.32 42.16 86 38.5 32
2″*1½″ (50*40) 74 61 60.32 48.26 86 38.5 35
2½″*1¼″ (65*32) 90 54.5 73.02 42.16 98.5 45 32
2½″*1½″ (65*40) 90 61 73.02 48.26 98.5 45 35
2½″*2″ (65*50) 90 74 73.02 60.32 97 45 38.5
3″*1½″ (80*40) 107 61 88.9 48.26 109.5 48 35
3″*2″ (80*50) 107 74 88.9 60.32 107.5 48 38.5
3″*2½″ (80*65) 107 90 88.9 73.02 109 48 45
4″*2″ (100*50) 134 74 114.3 60.32 129.5 57.5 38.5
4″*2½″ (100*65) 134 90 114.3 73.02 131 57.5 45
4″*3″ (100*80) 134 107 114.3 88.9 127 57.5 48
5″*2½″ (125*65) 163 90 141.3 73.02 154.5 67 45
5″*3″ (125*80) 163 107 141.3 88.9 150 67 48
5″*4″ (125*100) 163 134 141.3 114.3 146.5 67 57.5
6"*3" (150*80) 192 107 168.28 88.9 173 76.5 48
6″*4″ (150*100) 192 134 168.28 114.3 170 76.5 57.5
6″*5″ (150*125) 192 163 168.28 141.3 167 76.5 67
8″*4″ (200*100) 247 134 219.08 114.3 221 102 57.5
8″*5″ (200*125) 247 163 219.08 141.3 218 102 67
8″*6″ (200*150) 247 192 219.08 168.28 215 102 76.5
Viesti Palaute
Tietoja meistä
Kaixin Pipeline Technologies Co., Ltd.
Vuonna 1999 perustettu Kaixin Pipeline Technologies Co., Ltd. on korkean teknologian yritys, joka yhdistää T&K:n, valmistuksen, myynnin ja palvelun. Yrityksellä on useita arvostettuja sertifiointeja, mukaan lukien National High-Tech Enterprise, "Little Giant" Specialized and Sophisticated SME, National Single Product Champion (viljely), Provincial Technology-based SME, Ningbo Specialized and Sophisticated SME, Ningbo Single Product Champion (viljely), Ningbo District, Green-Lepe & Valctory Technology, Fair & Valctory Ningbo neljän tähden Management Innovation Enterprise ja Enterprise Data Management Capability kypsyysaste 2.
Olemme erikoistuneet kehittämään, valmistamaan ja toimittamaan ei-metallisia korroosionkestäviä tuotteita kemiallisiin sovelluksiin, mukaan lukien muoviventtiilit, putket, putkiliittimet ja korroosionkestävät pumput. Tuotevalikoimamme kattaa PVC-C:n, PVC-U:n, PVDF:n, PPH:n ja FRPP:n kaltaiset materiaalit kattavalla valikoimalla tyyppejä ja eritelmiä. Erityisesti läppäventtiiliemme voivat saavuttaa halkaisijaltaan DN1000, kun taas putket ja liittimet ulottuvat DN800:aan, mikä korjaa markkinoiden aukkoja ja säilyttää kilpailuetumme alalla.
"Teknologiavetoinen, ajan tahdissa pysyminen" -periaatteen ohjaamana Kaixin osoittaa vuosittain lähes 10 miljoonaa RMB T&K-toimintaan. Varmistamme tuotteiden erinomaisen laadun standardoidun automatisoidun valmistuksen ja tiukan tuontiraaka-aineiden hankinnan avulla. Kansainvälisen kehitysstrategiamme mukaisesti seuraamme jatkuvasti globaalien markkinoiden kehitystä ja hyödynnämme digitaalisia kanavia tuodaksemme korkealaatuisia "Made in China" -tuotteita asiakkaille ympäri maailmaa.
Ningbo • Fenghuan T&K- ja tuotantotukikohta
Kaixin Ultra-Pure Pipe Technology (Ningbo) Co., Ltd. on investoinut yhteensä 200 miljoonaa RMB:tä, ja se on perustanut uuden materiaalilaboratorion yhteistyössä yliopistojen ja tutkimuslaitosten kanssa, rakentanut nykyaikaisen tuotantokannan ja asentanut 8 täysin automatisoitua tuotantolinjaa modifioiduille muoveille ja 8 polymeerimateriaaleille. Laitos on omistettu uusien modifioitujen muovien ja polymeerimateriaalien tutkimukselle ja kehitykselle, tuotantoon ja käyttöön. Kaixin on myös sitoutunut houkuttelemaan huippuosaajia eri tieteenaloilla, edistämään jatkuvasti tuoteinnovaatioita ja tuotemerkkien kehitystä tavoitteenaan tulla maailmanlaajuisesti tunnustettu johtaja polymeeriventtiilien, putkien ja liitosten T&K- ja valmistuksessa.
Kunniakirja
  • honor
  • honor
  • honor
  • honor
  • honor
  • honor
  • honor
  • honor
  • honor
Uutiset