PPH Hot Melt Socket Teräsvuorattu Slip-On Laippa DN15-100 Gt Vakio

Tukku korkealaatuinen maanläheinen keltainen PPH kuumasulatehylsy teräsvuorattu liukulaippa 1,0-1,6 MPa työpaine, DN15-100 yleiskäyttöiset muoviputkiliittimet jätevesi- ja kemianteollisuudelle
Alkuperäpaikka: Kiina
Tuotemerkki: KXPV
Materiaali: PPH
Tekniikka: taotto
Liitäntä: pistorasia
Muoto: Tasainen
Pään koodi: Neliö
Väri: Maankeltainen
Koko: DN15-DN100
Sovellus: Teollisuus
Pakkaus: Pahvilaatikko
Käyttöpaine: 1,0-1,6 Mpa (10-25 bar)

Sovelluksen lämpötilarajoitusten luettelo
materiaali Keskilämpötila℃ materiaali Keskilämpötila℃
PVC-C -20 ℃ ~ 95 ℃ PVC-U -5 ℃ ~ 45 ℃
FRPP -20 ℃ ~ 120 ℃ PPH -20 ℃ ~ 110 ℃
PVDF 40 ℃ ~ 150 ℃

Tuotteen rakenteelliset ominaisuudet

1. Korkea kiteisyys
Valmistettu yhdestä polypropeenimonomeerista, molekyyliketju ei sisällä eteenimonomeerejä; molekyyliketju on erittäin säännöllinen ja tarjoaa pitkän käyttöiän.
2. Erinomainen korroosionkestävyys
Se kestää korkeiden happojen ja emästen aiheuttamaa korroosiota pH-alueella 1-14.
3. Lämmönkestävä, eristävä ja energiaa säästävä
Se voi toimia lämpötiloissa -20 °C - 110 °C. Sen alhainen johtavuus takaan eristyskyvyn.
4. Luotettava yhteys
Sulateliimat ovat vahvempia kuin itse putki, mikä estää rikkoutumasta maaperän liikkeen tai kuormituksen takia.
5. Erinomainen rakennussuorituskyky
Tämä tuote on kevyt, siinä on yksinkertainen hitsausprosessi, se on helppo asentaa ja sen kokonaiskustannukset ovat alhaiset, ja se sopii monimutkaisiin prosessiputkiin. PPH-putkissa käytössä laajaltiteollisuudessa, kuten galvanoinnissa, etsauksessa, kemikaaleissa, lääkkeissä, jätevedenkäsittelyssä ja ympäristötekniikassa.

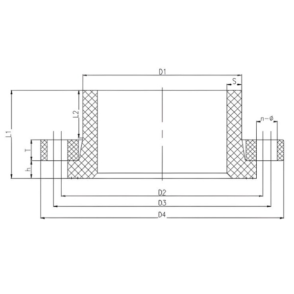
PPH Hot Melt Socket Vanstoneflange

DN D1 D2 D3 D4 S L1 L2 T h n-Φ
15 20 65 95 2.5 71.5 50 14 7.5 4-Φ14
20 25 75 105 2.7 75.5 50 16 9.5 4-Φ14
25 32 85 115 3 77 50.5 16 10.5 4-Φ14
32 40 100 140 3.7 80 50.5 18 11.5 4-Φ19
40 50 110 150 4.6 81 50.5 18 12.5 4-Φ19
50 63 125 165 5.8 85 50.5 20 14.5 4-Φ19
65 75 145 185 6.9 87 50.5 20 16.5 4-Φ19
80 90 160 200 8.2 78 40 20 17 8-Φ19
100 110 180 229 10 78 40 22 18 8-Φ19
125 140 210 250 12.7 110 60 22 25 8-Φ19
150 160 240 285 14.6 107 60 24 25 8-Φ23
200 225 295 340 20.5 121 60 24 32 8-23
250 280 350 362 410 25.4 126 60 30 35 12-Φ22X28
300 315 400 432 483 28.6 135 60 36 37 12-Φ25X41
350 355 460 470 520 32.2 145 60 42 47 16-Φ25X30
400 400 515 540 597 36.3 160 63 46 52 16-Φ29X41.5
Viesti Palaute
Tietoja meistä
Kaixin Pipeline Technologies Co., Ltd.
Vuonna 1999 perustettu Kaixin Pipeline Technologies Co., Ltd. on korkean teknologian yritys, joka yhdistää T&K:n, valmistuksen, myynnin ja palvelun. Yrityksellä on useita arvostettuja sertifiointeja, mukaan lukien National High-Tech Enterprise, "Little Giant" Specialized and Sophisticated SME, National Single Product Champion (viljely), Provincial Technology-based SME, Ningbo Specialized and Sophisticated SME, Ningbo Single Product Champion (viljely), Ningbo District, Green-Lepe & Valctory Technology, Fair & Valctory Ningbo neljän tähden Management Innovation Enterprise ja Enterprise Data Management Capability kypsyysaste 2.
Olemme erikoistuneet kehittämään, valmistamaan ja toimittamaan ei-metallisia korroosionkestäviä tuotteita kemiallisiin sovelluksiin, mukaan lukien muoviventtiilit, putket, putkiliittimet ja korroosionkestävät pumput. Tuotevalikoimamme kattaa PVC-C:n, PVC-U:n, PVDF:n, PPH:n ja FRPP:n kaltaiset materiaalit kattavalla valikoimalla tyyppejä ja eritelmiä. Erityisesti läppäventtiiliemme voivat saavuttaa halkaisijaltaan DN1000, kun taas putket ja liittimet ulottuvat DN800:aan, mikä korjaa markkinoiden aukkoja ja säilyttää kilpailuetumme alalla.
"Teknologiavetoinen, ajan tahdissa pysyminen" -periaatteen ohjaamana Kaixin osoittaa vuosittain lähes 10 miljoonaa RMB T&K-toimintaan. Varmistamme tuotteiden erinomaisen laadun standardoidun automatisoidun valmistuksen ja tiukan tuontiraaka-aineiden hankinnan avulla. Kansainvälisen kehitysstrategiamme mukaisesti seuraamme jatkuvasti globaalien markkinoiden kehitystä ja hyödynnämme digitaalisia kanavia tuodaksemme korkealaatuisia "Made in China" -tuotteita asiakkaille ympäri maailmaa.
Ningbo • Fenghuan T&K- ja tuotantotukikohta
Kaixin Ultra-Pure Pipe Technology (Ningbo) Co., Ltd. on investoinut yhteensä 200 miljoonaa RMB:tä, ja se on perustanut uuden materiaalilaboratorion yhteistyössä yliopistojen ja tutkimuslaitosten kanssa, rakentanut nykyaikaisen tuotantokannan ja asentanut 8 täysin automatisoitua tuotantolinjaa modifioiduille muoveille ja 8 polymeerimateriaaleille. Laitos on omistettu uusien modifioitujen muovien ja polymeerimateriaalien tutkimukselle ja kehitykselle, tuotantoon ja käyttöön. Kaixin on myös sitoutunut houkuttelemaan huippuosaajia eri tieteenaloilla, edistämään jatkuvasti tuoteinnovaatioita ja tuotemerkkien kehitystä tavoitteenaan tulla maailmanlaajuisesti tunnustettu johtaja polymeeriventtiilien, putkien ja liitosten T&K- ja valmistuksessa.
Kunniakirja
  • honor
  • honor
  • honor
  • honor
  • honor
  • honor
  • honor
  • honor
  • honor
Uutiset